当サイトではCookieを使用します。Cookieの使用に関する詳細は「
プライバシーポリシー
」をご覧ください。
OK
このサイトはJavascriptが無効の場合、正常に表示されません。
ブラウザの設定で、JavaScript を有効にして下さい。
TOP
新着情報
会社案内
事業紹介
実績紹介
採用情報
スタッフブログ
TOP
トップページ
News
新着情報
About
会社案内
Service
事業紹介
Archives
実績紹介
Recruit
採用情報
Blog
スタッフブログ
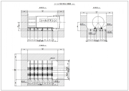
シールドマシン架台
ホーム
実績紹介
シールドマシン架台
形式
支柱・敷桁式 H鋼架台
用途
立坑内にシールドマシンを設置するための架台 シールドマシンによる掘削の際にジャッキ反力を受けるための架台
CONTACT US
お電話でのお問い合わせ
0985-58-1211
お問い合わせ
お問い合わせはこちら
お見積り・ご依頼
お見積り・ご依頼はこちら
お見積り
・
ご依頼
お問い合わせ